GRASIAN ASACUSA PBARA POSITRON-LAB HD-BEAM ADV-INST DEPRECATED-ELOG
ASACUSA-MAIN ASACUSA-SPECTROSCOPY ASACUSA-BEAM-PRODUCTION ASACUSA-ARCHIVE ASACUSA-HOW-TO
HBAR-HFS ARCHIVED
MAIN PLASMA CUSP PBAR POSITRON PROTON DETECTOR SLOWEXT ARCHIVE HOW-TO
  ARCHIVE  Not logged in ELOG logo
Message ID: 1094     Entry time: Mon Aug 14 15:03:34 2023
Author: Cusp Trap 
Type: images 
Category: Andreas 
Subject: How to FPS images 
Attachment 1: Summary.PNG  197 kB  Uploaded Mon Aug 14 17:03:37 2023  | Hide | Hide all
Summary.PNG
Attachment 2: Main.PNG  265 kB  Uploaded Mon Aug 14 17:04:47 2023  | Hide | Hide all
Main.PNG
Attachment 3: pressure_log.PNG  109 kB  Uploaded Mon Aug 14 17:09:43 2023  | Hide | Hide all
pressure_log.PNG
Attachment 4: Temperatures.PNG  193 kB  Uploaded Mon Aug 14 17:12:23 2023  | Hide | Hide all
Temperatures.PNG
Attachment 5: grow_moderator.PNG  229 kB  Uploaded Mon Aug 14 17:17:16 2023  | Hide | Hide all
grow_moderator.PNG
Attachment 6: Control_panel.PNG  107 kB  Uploaded Mon Aug 14 17:21:12 2023  | Hide | Hide all
Control_panel.PNG
Attachment 7: Magnetic_fields.PNG  73 kB  Uploaded Mon Aug 14 17:22:07 2023  | Hide | Hide all
Magnetic_fields.PNG
Attachment 8: Error_monitor.PNG  204 kB  Uploaded Mon Aug 14 17:23:51 2023  | Hide | Hide all
Error_monitor.PNG
Attachment 9: source_startup_vacuum1.png  298 kB  Uploaded Tue Aug 15 09:01:05 2023  | Hide | Hide all
source_startup_vacuum1.png
Attachment 10: cryo_startup.PNG  214 kB  Uploaded Tue Aug 15 09:13:08 2023  | Hide | Hide all
cryo_startup.PNG
Attachment 11: source_vacuum_-finished.PNG  206 kB  Uploaded Tue Aug 15 09:17:23 2023  | Hide | Hide all
source_vacuum_-finished.PNG
Attachment 12: trap_start_initial.png  245 kB  Uploaded Tue Aug 15 09:37:58 2023  | Hide | Hide all
trap_start_initial.png
Attachment 13: system_in_vacuum.PNG  206 kB  Uploaded Tue Aug 15 10:01:07 2023  | Hide | Hide all
system_in_vacuum.PNG
Attachment 14: compressors_1.jpg  367 kB  Uploaded Tue Aug 15 15:25:31 2023  | Hide | Hide all
compressors_1.jpg
Attachment 15: cryo_compressor.jpg  341 kB  Uploaded Tue Aug 15 15:26:02 2023  | Hide | Hide all
cryo_compressor.jpg
Attachment 16: FPS_rack.jpg  316 kB  Uploaded Tue Aug 15 15:26:10 2023  | Hide | Hide all
FPS_rack.jpg
Attachment 17: source_table.jpg  419 kB  Uploaded Tue Aug 15 15:26:15 2023  | Hide | Hide all
source_table.jpg
Attachment 18: trap_backing_tmp.jpg  305 kB  Uploaded Tue Aug 15 15:26:20 2023  | Hide | Hide all
trap_backing_tmp.jpg
Attachment 19: trap_table.jpg  413 kB  Uploaded Tue Aug 15 15:26:25 2023  | Hide | Hide all
trap_table.jpg
Attachment 20: FAMP.jpg  303 kB  Uploaded Thu Aug 17 10:04:10 2023  | Hide | Hide all
FAMP.jpg
Attachment 21: connections.jpg  349 kB  Uploaded Thu Aug 17 10:04:15 2023  | Hide | Hide all
connections.jpg
Attachment 22: Discriminator.jpg  358 kB  Uploaded Thu Aug 17 10:04:20 2023  | Hide | Hide all
Discriminator.jpg
Attachment 23: TTL_converter.jpg  321 kB  Uploaded Thu Aug 17 10:04:24 2023  | Hide | Hide all
TTL_converter.jpg
Attachment 24: FPS_with_trap.JPG  111 kB  Uploaded Mon Aug 21 11:15:59 2023  | Hide | Hide all
FPS_with_trap.JPG
Attachment 25: potential_editor.JPG  122 kB  Uploaded Mon Aug 21 11:16:03 2023  | Hide | Hide all
potential_editor.JPG
Attachment 26: stacker_with_trap.JPG  120 kB  Uploaded Mon Aug 21 11:16:07 2023  | Hide | Hide all
stacker_with_trap.JPG
Attachment 27: parameter1.JPG  72 kB  Uploaded Mon Aug 21 11:19:36 2023  | Hide | Hide all
parameter1.JPG
Attachment 28: parameter2.JPG  44 kB  Uploaded Mon Aug 21 11:19:40 2023  | Hide | Hide all
parameter2.JPG
Attachment 29: triggers.JPG  40 kB  Uploaded Mon Aug 21 11:19:44 2023  | Hide | Hide all
triggers.JPG
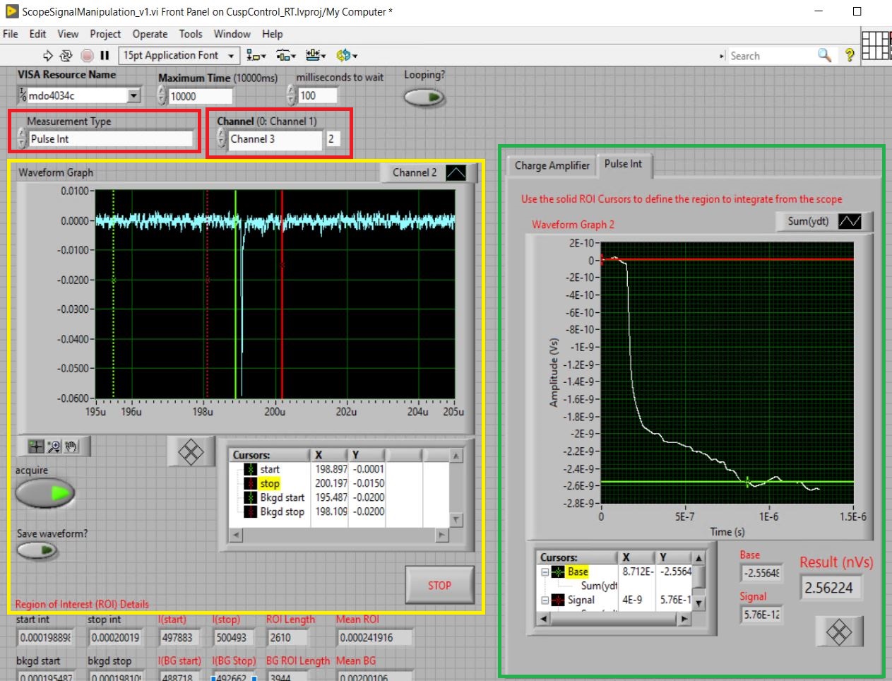
Attachment 30: scope_integral_VI.JPG  326 kB  Uploaded Mon Aug 21 11:44:11 2023  | Hide | Hide all
scope_integral_VI.JPG
Attachment 31: screenshotforandi.png  348 kB  Uploaded Mon Aug 21 11:50:05 2023  | Hide | Hide all
screenshotforandi.png
Attachment 32: plasma_fit.JPG  240 kB  Uploaded Mon Aug 21 12:56:06 2023  | Hide | Hide all
plasma_fit.JPG
Attachment 33: FPS_rack_1.jpg  376 kB  Uploaded Mon Aug 21 15:37:09 2023  | Hide | Hide all
FPS_rack_1.jpg
Attachment 34: NI_rack.jpg  491 kB  Uploaded Mon Aug 21 15:37:17 2023  | Hide | Hide all
NI_rack.jpg
Attachment 35: Magnet_rack_1.jpg  483 kB  Uploaded Mon Aug 21 15:37:21 2023  | Hide | Hide all
Magnet_rack_1.jpg
Attachment 36: Higaki_coils.jpg  294 kB  Uploaded Mon Aug 21 15:37:25 2023  | Hide | Hide all
Higaki_coils.jpg
Attachment 37: radiation_monitor.JPG  117 kB  Uploaded Mon Sep 4 08:35:28 2023  | Hide | Hide all
radiation_monitor.JPG
ELOG V3.1.5-fc6679b